这是有cascode电流镜构成的电压基准源

如下图所示,该电路中的三条支路的电流I1=I2=I3

有上图可以知道,输出的参考电压表达式如下图所示

I3的大小是由前面的两条支路中的VBE之差与电阻R1比的结果,即如下图所示

再把VBE之差代换成下列表示式,其中这里VT是热电压,N是两个三极管中Q1与Q2的发射结的面积之比。

根据基准电压的表示式:

所以可以推导出该电路中的K值的大小为下图所示。合理地选择R1和R2以及N的值使其K值为23,就可以得到1.2V的基准电压了。

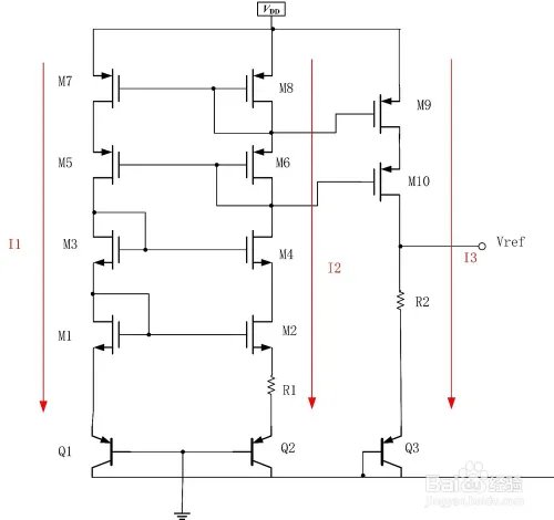
这是有cascode电流镜构成的电压基准源

如下图所示,该电路中的三条支路的电流I1=I2=I3

有上图可以知道,输出的参考电压表达式如下图所示

I3的大小是由前面的两条支路中的VBE之差与电阻R1比的结果,即如下图所示

再把VBE之差代换成下列表示式,其中这里VT是热电压,N是两个三极管中Q1与Q2的发射结的面积之比。

根据基准电压的表示式:

所以可以推导出该电路中的K值的大小为下图所示。合理地选择R1和R2以及N的值使其K值为23,就可以得到1.2V的基准电压了。
